
電位器是目前常用的元器件之一,主要有精密電位器和密封式電位器。根據型號規格等,又可以區分為好多種,其中電位器3362,就可以分為電位器3362P、3362M、3362S、3362U、3362W等。那么大家對于這些不同型號的精密電位器安裝說明及注意事項是否了解呢?只有對產品的性能以及用途各方面有所了解,才能做適當的選擇。那下面我就以電位器3362P、3362M來做個簡單介紹吧!
(1)電位器3362P
產品簡介:
電位器3362P廣泛使用于儀器儀表、通信、家用電器、安防、醫療設備、計算機等領域。
產品介紹:
電位器L3362P物理特征:
總機械行程:250°±10°
起動力矩:≤20mN?m
止檔力矩:≥50 mN?m
標準包裝 :50pcs/管
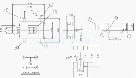
電位器3362P圖紙參數:
(2)電位器3362M
產品簡介:
電位器3362M主要包括技術參數、環境特征以及物理特征等內容,常用于大多電子、通信等多種設備。
產品介紹:
電位器3362M技術參數:
電位器性能:
阻值范圍(Ohms) : 10~1M
阻值偏差: ±10%
阻值變化特征: B
終端電阻: ≤1%R or 2Ω
接觸電阻變化: ≤3%R or 3Ω
絕緣電阻: R1≥1GΩ
耐電壓:101.3Kpa 500V,8.5Kpa 350V
有效電行程 : 210°±10°
電位器3362M物理特征:
總機械行程: 250°±10°
起動力矩: ≤20mN?m
止檔力矩: ≥50 mN?m
標準包裝 :50pcs/管
電位器3362M參考圖紙:
以上是常用的電位器3362的型號產品,除了電位器3362,精密龍還有很多其他型號的電位器,如電位器3296X、電位器3296P、電位器3296Y、電位器3296Z、3296W等。如果大家想了解更多關于電位器3362或其他型號的產品詳情,可以關注精密龍電子。總的來說,電位器的規格產品比較多,在產品選擇的時候需要注意核實清楚它的規格尺寸等信息。

Copyright © 廣東精密龍電子科技有限公司 版權所有 粵ICP備17035144號 粵公網安備44130202001184號
全國服務電話:0755-83205533 傳真:0755-83761155
公司地址:深圳市龍崗區龍崗大道8288號深圳大運軟件小鎮45棟2樓

